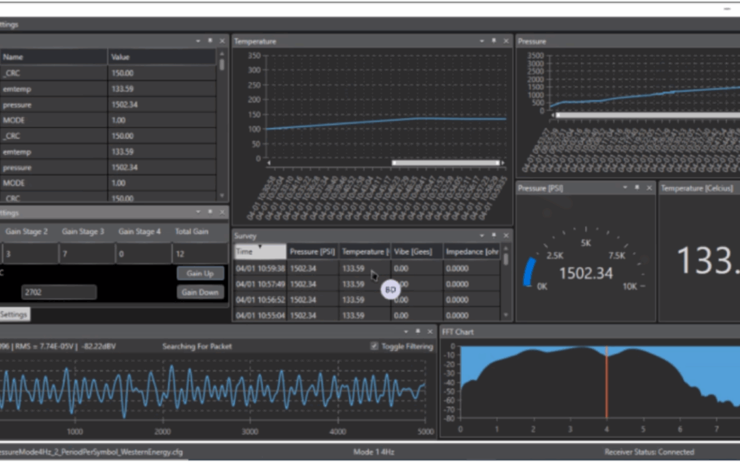
Location: New Zealand, Onshore Operator: Western Energy Summary: In geothermal plug and abandonment (P&A) operations, precise downhole temperature monitoring is critical to avoid flash setting of cement. Traditionally, operators have relied on E-Coil (electronic...
MWDPlanet’s Wireless Downhole Monitoring Tool Used for Geothermal Plug and Abandonment Operations with Coiled Tubing
read more

